Паровой котел 0.2 т / 200 кг / 9 кгс/cм² / 0,9 МПа / 170 °C - пеллеты в Дорогобуже

  • Жаротрубный комбинированный паровой котел
  • Водяной объем котла в 3 раза превышает паропроизводительность – это исключает температурные колебания в трубной системе и гарантирует надежную работу котла даже при подпитке холодной водой
  • Паровой объем котла составляет до 15 % от общего объема – это обеспечивает стабильную выработку пара требуемых параметров
  • Большой водяной объем котла, отсутствие горизонтальных участков в трубной системе и эффективная система дренирования позволяют минимизировать последствия выпадения солей и отложения накипи
  • Имеет систему очистки поверхностей нагрева от сажи без остановки котла
  • Работает на самотяге, дымосос не требуется даже при плюсовых температурах
  • Температура пара до 170 °С
Изготовим
под заказ
Цена с НДС на паровой котел 0.2 т / 200 кг / 9 кгс/cм² / 0,9 МПа / 170 °C - пеллеты с доставкой в
от 0 рублей
Условия в
В наличии на складе
Доставка ТК по России и Казахстану
Безналичный расчет
Есть в наличии
Можно купить в лизинг
Паровой котел на пеллетах 200 кг
Паровой котел 200 кг на пеллетах
Паровой котел 200 кг пара в час пеллетный
Пеллетный паровой котел 200 кг пара в час
Паровой котел на пеллетах 200 кг пара в час - изготовление
Изготовление парового котла на пеллетах 200 кг пара в час
Паровой котел на пеллетах 200 кг пара в час - производство
Производство парового котла на пеллетах 200 кг пара в час
Паровой котел на пеллетах 200 кг
Паровой котел 200 кг пара в час пеллетный
Паровой котел на пеллетах 200 кг пара в час - изготовление
Паровой котел на пеллетах 200 кг пара в час - производство
Видеообзор
Производительность 200 кг/ч
Топливо Пеллеты
Температура пара, не более 170 °С
Давление пара, не более 0.9 МПа
Технические
характеристики
Описание
товара
Комплект
поставки
Дополнительное
оборудование
Монтаж и схемы
подключения
Сертификаты
и гарантии

Технические характеристики парового котла 0.2 т / 200 кг / 9 кгс/cм² / 0,9 МПа / 170 °C на пеллетах

Тип Паровой котел Е
Бренд STEAMEXPERT
Вид топки Камерная горелка
Конструкция котла Жаротрубный
Производительность 200 кг/ч
Производительность 0.2 т/ч
Низшая теплота сгорания проектного топлива 4400 кКал/кг
Максимальная тепловая мощность 0.15 МВт
Диапазон регулирования мощности 50-100 %
Топливо Пеллеты
КПД котла на УГЛЕ 75 %
Расход топлива 42 кг/ч
Расход условного топлива 26 кг/ч
Температура пара, не более 170 °С
Давление пара, не более 0.9 МПа
Давление пара, не более 9 кгс/см²
Давление пара, не более 9 бар
Полный объем котла 1.4 м³
Объем паровой части 0.11 м³
Аэродинамическое сопротивление 3.1 (0.31) Па (мм. вод. ст.)
Тяга Естественная
Объем топочной камеры 0.47 м³
Активная площадь решетки горения 0.92 м²
Присоединительные размеры выхода пара 32 Ду
Присоединительные размеры по водяному тракту 25 Ду
Присоединительные размеры по дымовым газам / дымовая труба 300 Ду
Габаритные размеры котла, длина*ширина*высота 2450х1650х2250 мм
Масса 1580 кг
Энергоэффективность Высокая
Паровой котел Е-0,2-0,9-170 на пеллетах чертеж
Чертеж парового котла Е-0,2-0,9-170 на пеллетах
Пеллетный паровой котел Е-0,2-0,9-170 чертеж
Чертеж пеллетного парового котла Е-0,2-0,9-170

Конструкция и преимущества парового котла STEAMEXPERT 0.2 т / 200 к / 9 кгс/cм² / 0,9 МПа / 170 °C - на пеллетах в Дорогобуже

Промышленный прямоточный паровой котел на пеллетах STEAMEXPERT Е 0.2 0.9 170 ДП – выполняется напольной горизонтальной жаротрубной конструкцией. Сам котельный блок состоит из двух обечаек разного диаметра, вставленных одна в другую и соединенных между собой фланцами. Пространство между обечайками заполняется водой. В верхней части котла устанавливается полуцилиндр - это паросборная камера в которой собирается и сепарируется пар.

Обечайка меньшего диаметра (внутренняя) – это жаровая труба. В передней части жаровой трубы размещена топочная часть с отверстием под горелку, в задней части - конвективный пучок труб.

Благодаря большому объему нагреваемой в котле воды и зеркалу испарения, промышленные комбинированные паровые котлы на пеллетах Е 0,2-0,9 с температурой пара 170 С имеют следующие преимущества:

  • потребитель получает сухой пар. Сепарационные устройства препятствуют выносу капель воды с зеркала испарения и капель конденсата образующихся на внутренних стенках паропроводов котла;
  • независимо от нагрузки происходит бесперебойная подача пара;
  • котел пеллетный паровой 200 кг час не боится подпитки даже холодной водой;
  • тепловые расширения металла минимальны поэтому жаротрубный котел обладает высокой надежностью и долговечностью.

Для удобства обслуживания в процессе эксплуатации в конструкции котла предусмотрены следующие технические решения:

  • наружные сажистые отложения очищаются системой обдувки конвективного пакета паром прямо в процессе работы без остановки котла. Для осмотра конвективных поверхностей нагрева, в задней части газоплотный цилиндрический паровой котел КП 0.2 т на пеллетах имеет люк;
  • в задней части котла устанавливается продувочный штуцер Ду 25 для удаления образующегося в котле шлама;
  • на паросборной камере и водомерной колонке установлен вентиль Ду 15 для спуска воздуха при подготовке к работе.
Паровой котел газовый с дымовой трубой

К фронтовой плите котельного блока крепится горелка для подачи топлива в топку котла через амбразуру. 

На задней крышке котла в основании дымовой трубы выполнен предохранительный взрывной клапан.

Дымовая труба может проходить как по наружной стене помещения, так и через кровлю котельного помещения.

Производственный стационарный паровой котел низкого давления 0.9 на пеллетах российского производства подпитывается из питательного бака через электронасос, соединительную арматуру.

Для подпитки желательно устанавливать два насоса – один рабочий и второй резервный.

На боковой части корпуса устанавливается водомерная колонка (датчик уровней воды) и два указателя уровня, связанная с паровым и водяным пространством котла соединительными трубками.

Применение паровых котлов

Наши трехходовые прямоточные паровые котлы на пеллетах малой мощности 0.2 тонны пара применяют при производстве ЖБИ изделий, для изготовления пенопласта, химические и фармацевтические предприятия, строительные организации, бетонные заводы, больницы, общественные заведения, воинские части, автоколонны, ДСУ, бани, предприятия нефтегазовой, кожевенной, перерабатывающей промышленности. В пищевой промышленности жаротрубный газовый паровой котел 0,2 т используют для разморозки, подогрева, пастеризации, стерилизации тары такие предприятия, как спиртзаводы , молочные заводы, птицефабрики для тепловой обработки кормов и ошпаривания птиц, мясокомбинаты и консервные заводы, хлебозаводы, мелькомбинаты, маслосырзаводы, свинокомплексы.

Монтаж котла
Газовый паровой котел схема

Стальной горизонтальный пеллетный паровой котел промышленный 200 кг в час поставляется блоками максимальной заводской готовности. Котельный блок устанавливается в котельной на специально подготовленную ровную поверхность. Котельный блок подсоединяется по воде, устанавливается запорная арматура на подводящем трубопроводе и отводящем паропроводе, устанавливаются предохранительные клапаны и контрольно-измерительные приборы. Подключается горелка и автоматика. Типовые монтажные схемы вы можете изучить в разделе схемы подключения данного товара.

Купить пеллетный паровой котел Е 0.2-0.9-170 ДП

Для того чтобы купить паровой котел на пеллетах 200 кг пара в час, давлением 0.7 МПа и температурой 170 С в Дорогобуже вы можете сделать заявку в отдел сбыта по телефону 8-800-700-06-43, либо оформить заявку через сайт или почту. Менеджеры дадут консультацию по подбору вспомогательного оборудования для выбранных вами моделей и рассчитают стоимость доставки. Доставка до вашего населенного пункта может осуществляться авто, железнодорожным и речным транспортом.

Если вы затрудняетесь с выбором нужной паропроизводительности, мы можем осуществить подбор, для этого нужно заполнить опросный лист или описать ваш техпроцесс.

Комплект поставки парового котла 0.2 т / 200 кг / 9 кгс/cм² / 0,9 МПа / 170 °C на пеллетах

Цена парового котла 0.2 т / 200 кг / 9 кгс/cм² / 0,9 МПа / 170 °C на пеллетах включает в себя предохранительные клапаны, запорную арматуру и КИП в пределах котла. Ниже приведена подробная информация.

Дополнительное оборудование парового котла 0.2 т / 200 кг / 9 кгс/cм² / 0,9 МПа / 170 °C на пеллетах

Для эффективной и надежной работы парового котла 0.2 т / 200 кг / 9 кгс/cм² / 0,9 МПа / 170 °C на пеллетах вам потребуется дополнительное оборудование - насос. Мы предлагаем рассмотреть типовые варианты комплектации.

В случае если у вас на объекте имеется насосное оборудование, мы можем проверить совместимость парового котла 0.2 т / 200 кг / 9 кгс/cм² / 0,9 МПа / 170 °C на пеллетах нашего производства и вашего оборудования.

По необходимости устанавливаются золоуловители.

Типовую схему монтажа котла вы можете посмотреть во вкладке схемы подключения.

Автоматика парового котла работающего с пеллетной горелкой
Автоматика парового котла с пеллетной горелкой
0 руб. с НДС

Автоматика пеллетного парового котла выполняет следующие функции:

  • ручной пуск котла и насоса;
  • автоматическое поддержания уровня воды в котле;
  • автоматическое поддержание заданного давления пара на выходе из котла.

Выполняет аварийную остановку котла и насоса при:

  • понижении уровня воды в котле ниже критического уровня;
  • повышении уровня воды в котле выше критического уровня (перелив);
  • повышении давления пара в котле.
CDM насос
Насос CDM 1-19 (1.1 кВт)
139800 руб. с НДС
Газоход котла
Газоходы
0 руб. с НДС

Монтаж и схемы подключения парового котла 0.2 т / 200 кг / 9 кгс/cм² / 0,9 МПа / 170 °C на пеллетах

Жаротрубный паровой котел 0.2 т / 200 кг / 9 кгс/cм² / 0,9 МПа / 170 °C - пеллеты, предназначен для получения насыщенного пара температурой не более 170 °С и давлением не более 0,9 (9) МПа (кгс/cм²) для технологических целей в производстве. Устанавливается в производственных и промышленных котельных.

Монтаж и подключение парового котла 0.2 т / 200 кг / 9 кгс/cм² / 0,9 МПа / 170 °C на пеллетах

План расстановки оборудования в паровой котельной

Для подключения парового котла 0.2 т / 200 кг / 9 кгс/cм² / 0,9 МПа / 170 °C на пеллетах в котельном зале необходимо оставить проемы для обслуживания оборудования во время эксплуатации. Эти расстояния рекомендованы СНИП II-35-76. На схеме представлены их размеры. Кроме того мы составили примерный план, как можно произвести расположение подключение оборудования, а также указали перечень минимально необходимого вспомогательного оборудования для работы котла.

К вспомогательному оборудованию при работе парового котла 0.2 т / 200 кг / 9 кгс/cм² / 0,9 МПа / 170 °C на пеллетах относятся:

  • питательные насосы (1 рабочий, 2 резервный);
  • бак запаса воды;
  • охладитель проб отбора воды;
  • система водоподготовки котловой воды.

Водоподготовительная установка подбирается на основе данных химического анализа воды, проводимого специализированной лабораторией.

Схема парового котла 0.2 т / 200 кг / 9 кгс/cм² / 0,9 МПа / 170 °C на пеллетах

Схема {{parts_subject_r}}

В передней части жаровой трубы размещена топка, а в задней части - конвективный пучок труб.

В верхней части котла приварен паросборник, представляющий собой полуцилиндр. На паросборной камере устанавливаются предохранительные клапаны и два штуцера Ду15, один для установки электроконтактного манометра, второй для спуска воздуха с котла при заполнении водой при подготовке к работе.

К фронтовой плите крепится воздуховод и вентилятор для подачи воздуха в топку котла под колосниковую решетку.

На задней крышке в основании дымовой трубы выполнен предохранительный взрывной клапан.

Образующиеся в топочной камере продукты сгорания проходят конвективный пучок труб и выводятся через трубу дымовую, установленную на корпусе в хвостовой части котла.

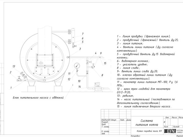
Система питания парового котла 0.2 т / 200 кг / 9 кгс/cм² / 0,9 МПа / 170 °C на пеллетах

Система питания котла

При работе котла питание водой парового котла 0.2 т / 200 кг / 9 кгс/cм² / 0,9 МПа / 170 °C на пеллетах производится через штуцер.

Подпитка котла ведется из питательного бака через насос, соединительную арматуру. На трубопроводе подпитки котла водой должно быть установлено запорное устройство и обратный клапан. Запорное устройство должно располагаться между котлом и обратным клапаном.

Для подпитки устанавливается не менее двух насосов с электроприводом. На стороне нагнетания каждого центробежного насоса до запорного органа должен быть установлен обратный клапан.

На трубопроводе выдачи пара, в непосредственной близости от котла, устанавливается запорное устройство.

На котле имеются продувочные штуцера Ду25, Ду15 и Ду10. Штуцер Ду25 предназначен для удаления шлама, образующегося в результате работы котла, периодической продувки котловой воды и для спуска воды в случае необходимости. Штуцер Ду15 предназначен для продувки водомерной колонки. Штуцера Ду10 предназначены для продувки указателей уровня.

В передней части жаровой трубы в верхней части установлена легкоплавкая пробка – предохранительное устройство прямого действия.

На боковой части корпуса устанавливается датчик уровней воды, связанный с паровым и водным пространством котла соединительными трубками не менее Ду25.

На боковой части корпуса устанавливается соединительная труба (колонка), служащая для установки двух указателей уровня, и связанная с паровым и водным пространством котла соединительными трубками не менее Ду25.

На боковой части корпуса внизу у котла имеется ревизия с крышкой, для периодического осмотра состояния поверхностей нагрева со стороны водяного объема.

Отвод пара парового котла 0.2 т / 200 кг / 9 кгс/cм² / 0,9 МПа / 170 °C на пеллетах

Отвод пара {{parts_subject_r}}

Предохранительные клапаны предназначены для стравливания давления в котле при превышении допустимого значения. На котле установлено самопритирающиеся предохранительных клапана пропускной способностью не менее часовой производительности котле.

Принцип работы клапана состоит в том, что при достижении паром номинального давления избыток пара выходит наружу. Клапана оборудованы ручным приводом для открывания при проверке их на срабатывание.

Щит управления совместно с электрооборудованием предназначен для управления работой парового котла 0.2 т / 200 кг / 9 кгс/cм² / 0,9 МПа / 170 °C на пеллетах и защиты его при возникновении аварийных ситуаций. На двери щита расположены сигнальная лампа и органы управления работой котла, с табличками, указывающими их назначение. По месту либо на стенке щита крепится сигнальная сирена.

На паросборной камере устанавливается один электроконтактный манометр. При монтаже манометра, показывающего давление пара в котле, должна быть предусмотрена установка трехходового крана между манометром и сифонным устройством. Допускается установка других устройств, позволяющих контролировать показания рабочего манометра, путем подключения в систему контрольного манометра. Электроконтактный манометр выполняет роль датчика давления и предназначен для отключения дутьевого вентилятора и включения аварийной сигнализации при достижении паром предельно допустимого давления.

Датчик уровней служит для подачи команды на включение и отключение питательного насоса котла в процессе работы.

Указатель уровня воды предназначен для визуального контроля за уровнем воды при работе котла. На корпусе указателя крепится рамка или наносятся метки, указывающие верхний и нижний уровень воды.

Легкоплавкая пробка предназначена для сброса пара во внутренний объем топочной камеры в случае упуска воды ниже аварийного уровня и достижения фактического уровня воды на работающем котле ниже верхней кромки жаровой трубы. При этом легкоплавкая пробка перестает охлаждаться котловой водой и нагревается до температуры газов в топочной камере. Из-за нагрева наполнитель легкоплавкой пробки плавится и выдавливается давлением пара в топочную камеру, при этом сбрасывается давление пара и дополнительно гасится пламя.

Сертификаты и гарантии парового котла 0.2 т / 200 кг / 9 кгс/cм² / 0,9 МПа / 170 °C на пеллетах

Гарантийный срок на паровой котел 0.2 т / 200 кг / 9 кгс/cм² / 0,9 МПа / 170 °C - пеллеты 24 месяца.

Сертификат на котлы паровые КП
Сертификат на паровые котлы КП

Отзывы о продукции

Другая похожая продукция

Паровой котел на пеллетах 200 кг
Паровой котел 0.2 т / 200 кг / 0,7 кгс/cм² / 0,07 МПа / 115 °C - пеллеты
Вид топки Камерная горелка
Топливо Пеллеты
Производительность, кг/ч 200
Температура пара, не более, °С 110, 115
1 150 000 ₽
Паровой котел на пеллетах 200 кг
Паровой котел 0.2 т / 200 кг / 1,7 кгс/cм² / 0,17 МПа / 130 °C - пеллеты
Вид топки Камерная горелка
Топливо Пеллеты
Производительность, кг/ч 200
Температура пара, не более, °С 130
Цена по
запросу
Паровой угольный котел 300 кг
Паровой котел 0.3 т / 300 кг / 0,7 кгс/cм² / 0,07 МПа / 115 ° C - каменный, бурый уголь
Вид топки Ручная, Колосники
Топливо Твердое, Уголь
Производительность, кг/ч 300
Температура пара, не более, °С 110, 115
622 000 ₽
Паровой угольный котел 300 кг
Паровой котел 0.3 т / 300 кг / 1,7 кгс/cм² / 0,17 МПа / 130 ° C - каменный, бурый уголь
Вид топки Ручная, Колосники
Топливо Твердое, Уголь
Производительность, кг/ч 300
Температура пара, не более, °С 130
647 000 ₽
Паровой угольный котел 300 кг
Паровой котел 0.3 т / 300 кг / 9 кгс/cм² / 0,9 МПа / 170 °C - каменный, бурый уголь
Вид топки Ручная, Колосники
Топливо Твердое, Уголь
Производительность, кг/ч 300
Температура пара, не более, °С 170
835 000 ₽