ТЛПХ-1,1/3,5 в Дорогобуже

Цена с НДС:
5 318 000 рублей
Цена с НДС на тЛПХ-1,1/3,5 с доставкой в
от 5 318 000 рублей
Условия в
В наличии на складе
Доставка ТК по России и Казахстану
Безналичный расчет
Есть в наличии
ТЛПХ-1.1/3.5 топка
Топка ТЛПХ-1.1/3.5
Механическая топка ТЛПХ-1.1/3.5 котла КВм
Топка ТЛПХ-1.1/3.5 котла КВм
Котел КВм с топкой ТЛПХ-1.1/3.5
Котел КВм с топкой ТЛПХ-1.1/3.5
Топка с ленточной колосниковой решеткой прямого хода ТЛПХ-1.1/3.5
Топка с ленточной колосниковой решеткой прямого хода ТЛПХ-1.1/3.5
Изготовление топок ТЛПХ-1.1/3.5 котла КВм
Изготовление топок ТЛПХ-1.1/3.5 котла КВм
Производство топок ТЛПХ-1.1/3.5 котла КВм
Производство топок ТЛПХ-1.1/3.5 котла КВм
Колосниковое полотно ТЛПХ-1.1/3.5
Колосниковое полотно ТЛПХ-1.1/3.5
Изготовление топки ТЛПХ-1.1/3.5
Изготовление топки ТЛПХ-1.1/3.5
ТЛПХ-1.1/3.5 топка
Механическая топка ТЛПХ-1.1/3.5 котла КВм
Котел КВм с топкой ТЛПХ-1.1/3.5
Топка с ленточной колосниковой решеткой прямого хода ТЛПХ-1.1/3.5
Изготовление топок ТЛПХ-1.1/3.5 котла КВм
Производство топок ТЛПХ-1.1/3.5 котла КВм
Колосниковое полотно ТЛПХ-1.1/3.5
Изготовление топки ТЛПХ-1.1/3.5
Видеообзор
Технические
характеристики
Описание
товара
Дополнительное
оборудование
Сертификаты
и гарантии

Технические характеристики

Марка топки ТЛПХ 1.1x3.5
Вид топки Механическая ТЛПХ
Выход летучих, не менее 20 %
Зольность топлива, не более 25 %
Содержание мелочи (0-6 мм), не более 40 %
Максимальный размер куска 40 мм
Активная площадь решетки горения 3.1 м²
Диапазон изменения нагрузки 50-100 %
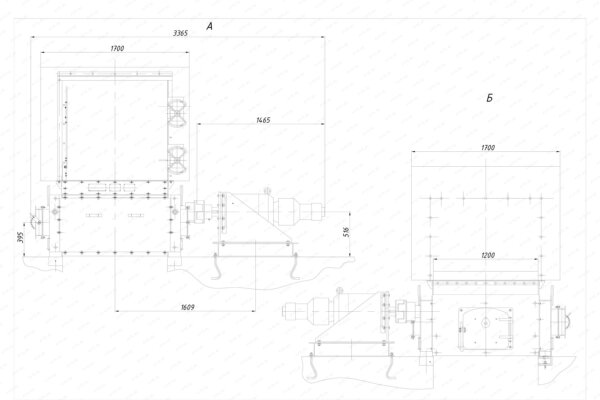
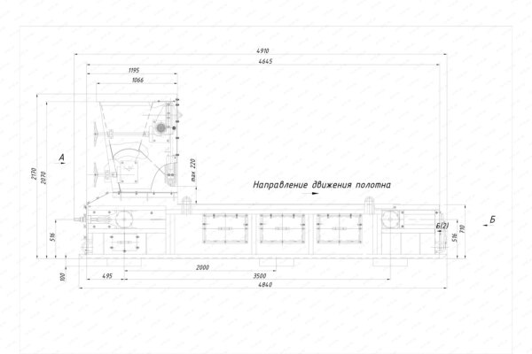
Топка ТЛПХ-1.1/3.5 чертеж
Чертеж топки ТЛПХ-1.1/3.5
Топка с ленточным полотном ТЛПХ-1.1/3.5 чертеж
Чертеж топки с ленточным полотном ТЛПХ-1.1/3.5

Топки механические с ленточной колосниковой решеткой прямого хода ТЛПХ-1,1/3,5 предназначены для слоевого сжигания сортированных и рядовых антрацитов, каменных углей марки Г и Д с влажностью не более 12 % и бурых углей с влажностью не более 20 % и применяются с водогрейными котлами КВм, Гефест, а также промышленных печах. Топки ТЛПХ-1,1/3,5 устанавливаются в котельных с механизированной подачей топлива и золошлакоудаления.

Технические характеристики

Наименование параметра Топка ТЛПХ-1,1/3,5
Диапазон изменения нагрузки, % 50...100
Теплонапряжение решетки рекомендуемое, МВт/м2 0,7...1,0 (1,2)
Потери тепла от химического недожега, %, не более 1,0
Потери тепла от механического недожега, % 10,0...13,5
Характеристика топлива:- выход летучих, %, не менее - влажность, %. не более - 25
- зольность, %, не более - 25
- содержание мелочи (0-6 мм), %, не более - 40
- максимальный размер куска, мм - 40
Живое сечение решетки, % 5
Скорость движения полотна, м/ч 1,3....19,3
Ширина решетки, мм 1100
Расстояние между валами, мм 3500
Активная площадь решетки, м2 3,1
Применение Водогрейные котлы КВм,котлы Гефест,промышленные печи

Принцип работы топки

Топливо на механическую топку ТЛПХ подается транспортером углеподачи. Загрузка решетки топливом осуществляется самотеком через угольный ящик на колосниковую решетку. Топливо на колосниковом полотне сжигается в слое 100-200 мм, при поперечной схеме движения слоя топлива и потоков воздуха в верхнем зажигании. Определенная толщина слоя топлива на колосниковой решетке топки  поддерживается при помощи регулятора слоя в угольном ящике и производится вручную посредством маховиков через червячные передачи редукторов. Количество подаваемого в топку угля регулируется путем изменения скорости движения колосникового полотна.

Под колосниковой решеткой организованы камеры, куда подается необходимый воздух для горения. Подача воздуха должна быть непрерывна, иначе происходит спекание слоя и пережог колосников и регулируется величиной открывания воздушных шиберов. Воздух под колосниковую решетку и на вторичное дутье подается от одного вентилятора котельной установки. Под верхней ветвью колосникового полотна располагаются дутьевые короба с зонами дутья и поворотными шиберами. Подвод воздуха под топку ТЛПХ-1,1/3,5 односторонний, c противоположной стороны предусмотрены окна для очистки дутьевых коробов от провала золы.

В передней части рамы механической топки ТЛПХ-1,1/3,5 на боковых щеках расположены окна для ремонта колосникового полотна. Окна для очистки от провала закрыты люками, а окна для ремонта в передней части закрыты крышками.

Удаление шлака с колосниковой решетки топки с ленточными колосниками прямого хода происходит за счет движения колосникового полотна, которое приводится в движение приводом. Удаление шлака из шлакового канала производится транспортером шлакозолоудаления.

Топки ТЛПХ-1,1/3,5 с колосниками прямого хода устанавливается на башмаки и имеют свободное расширение в продольном и в поперечном (от привода) направлениях.

Устройство топки

Механические топки с ленточной колосниковой решеткой прямого хода ТЛПХ-1,1/3,5 состоят из угольного ящика, рамы с приводом и ведущим и ведомым валами, передвигающими ленточное колосниковое полотно, состоящее из трех типов колосников: крайних, ведущих и ведомых. Колосники набираются на соединительном стержне. Ведущие колосники являются тяговыми, ведомые заполняют промежуток между ведущими колосниками, а крайние колосники выполняют роль бокового уплотнения. На боковых поверхностях колосники топки  имеют зубцы, которыми они взаимно входят друг в друга, увеличивая площадь живого сечения при минимальных зазорах и предупреждения выворачивание отдельных частей колосников в случае поломки. Задний вал автоматической топки ТЛПХ является ведущим и устанавливается в пазах щек рамы в буксах на подшипниках качения и имеет устройство для натяжения колосникового полотна в виде винтовой пары. Звездочки, установленные на валу, выполнены плавающими, что обеспечивает их самоустановку по ведущим колосникам полотна.

Привод топки ТЛПХ состоит из рамы, двигателя и волнового редуктора МВр-350-5491. Скорость движения колосникового полотна регулируется частотным преобразователем либо самим редуктором.

Рама топки ТЛПХ-1,1/3,5 состоит из двух щек, соединенных между собой поперечными балками. Опорный башмак рамы крепится к щеке болтами и подливается бетоном у фундамента. На щеках закреплены боковые чугунные уплотнения, по которым скользят полки крайних колосников полотна колосникового. Длина уплотнения подобрана так, что на каждом из них всегда находится один колосник. Этим предотвращается перетекание воздуха из зоны в зону.

Для того, чтобы купить топку ТЛПХ-1,1/3,5 вы можете сделать заявку в отдел сбыта по телефону 8-800-700-06-43, либо оформить заказ он-лайн. Инженеры-консультанты дадут консультацию и рассчитают стоимость доставки. Транспортирование топки ТЛЗМ может осуществляться автотранспортом, ж/д полувагонами и речным транспортом.

Дополнительное оборудование

Сертификаты и гарантии

Сертификат для топок
Сертификат на топки

Отзывы о продукции

Другая похожая продукция

5 100 000 ₽
5 670 000 ₽
794 000 ₽
Цена по
запросу
22 400 ₽